Rシリーズ ローラーバイブレータ
■面倒な取付工事不要のポータブルバイブレータもございます |
|
R【概 要】
|
●アルミボディ内部をスチールローラーが回転し、遠心力により大きな振動を発生させます。 ●簡単なバルブ操作による給気エアー圧の増減で振動数、加振力、振幅の変更が可能です。 ●エンドプレートはサイレンサを兼ねたシンプルな構造です。 ●給気口は本体上部あるいはサイドのどちらかを選べるので、取付場所の自由度が広がります。 ●簡単な構造のため故障が少なく、軽量コンパクトで、メンテナンスコストを最小限に抑えることが出来ます。 ●スタート、停止はバルブの開閉だけで行えるので、自動システムへの組み込みも容易です。 ●動力源に電気を使用していないので、爆発の危険がありません。 用途:樹脂、コンクリートの型への充填、締め固め。コンベヤー減列ガイド、ふるい、充填、脱泡、 剥離、拡散用など |
R【仕 様】
| 様式 | ローラーバイブレーター |
|---|---|
| 振動数 | 10000~36000 vpm |
| キャップ材質 | プラスチック、アルミ |
| ハウジング材質 | アルミ合金 |
| 潤滑油 | 給油要 (Oil ISO VG5 = 5 cSt/40℃) タービン油#5を推奨
モービル VELOCITE、日石 スピノックス、出光 ダフニー など |
| 供給エアー圧力 | 2~6 bar(0.2MPa~0.6MPa) |
| 供給エアー条件 | エアーラインフィルタ(50μm)を使用のこと |
| 周囲温度 | +5℃~+100℃ |
| 騒音レベル | 80~95 dBA |
R【性 能】
| Type | エアー消費量 Nl/min |
振動数 vpm |
振動力 N |
|---|---|---|---|
| 0.4 MPa | 0.4 MPa | 0.4 MPa | |
| R-50 | 145 | 35000 | 2920 |
| R-65 | 300 | 21000 | 4830 |
| R-80 | 430 | 18500 | 6090 |
| R-100 | 550 | 14000 | 6750 |
| R-120 | 730 | 11500 | 10000 |
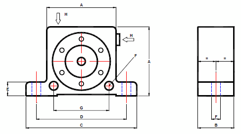
R【寸 法】

| Type | A mm |
B mm |
C mm |
D mm |
E mm |
F mm |
G mm |
H 配管 |
重量 kg |
|---|---|---|---|---|---|---|---|---|---|
| R-50 | 50 | 29 | 86 | 68 | 12 | 7 | 40 | G1/8" | 0.240 |
| R-65 | 65 | 37 | 113 | 90 | 16 | 9 | 50 | G1/4" | 0.545 |
| R-80 | 80 | 43 | 128 | 104 | 16 | 9 | 60 | G1/4" | 0.950 |
| R-100 | 100 | 52 | 160 | 130 | 20 | 11 | 80 | G3/8" | 1.810 |
| R-120 | 120 | 77 | 194 | 152 | 24 | 17 | - | G3/8" | 4.260 |
